FORMATION ET INGENERIE ELECTRIQUE
Études Électriques sur mesure
Etudes électriques dans les domaines de l'aéroportuaire, SNCF, Eclairage Public, IRVE, Photovoltaïque et Basse Tension


Etude en balisage Aéroportuaire
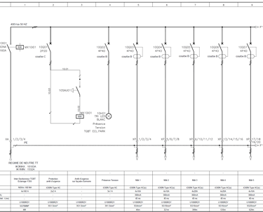
Nous réalisons des plans de déroulage de boucles de balisages, des plans de détails, des note de calculs CCR, des plans d'implantation de feux.
Spécialistes en balisage aéroportuaire, nous respectons les normes OACI, EASA, et CHEA pour garantir la sécurité et l'efficacité de vos installations.


Etudes électriques Infrastructures Extérieures
Nous réalisons des études en tout genre dans le domaine de l'électricité, avec des schémas électriques complets (puissance et contrôle commande), des plans de déroulage sur AUTOCAD, des notes de calculs électrique sur CANECO EP, BT/HT, PV et note de calculs Dialux EVO.












Services formation :
Formations Techniques (NORME 17-200, AEROPORTUAIRE)
Formations Logiciels (CANECO EP/BT/PV)
Mail : formelec.legrand@gmail.com
Téléphone : +33 7 43 67 24 21
© 2025. All rights reserved.
Contact :
Plans de Balisage Aéroportuaire
Plans de détail Aéroportuaire
Schémas électrique détaillés
Note de Calculs CANECO EP/BT/PV
